Assalamu’alaikum wa Rochmatullohi w Barokatuh
Salam sejahtera buat kita semua semoga kita semua selamat diperjalanan sampai ke tujuan
Alhamdulillan, dah dapet alat baru, sebuah inverter untuk keperluan las-mengelas. Rencananya mau ane gunakan untuk membuat kerangka modul praktikum/training, tapi bisa juga nantinya digunakan untuk keperluan bengkel misalnya merancang knalpot, braket boks dan modifikasi rangka/frame. Ada beberapa asesoris tambahan yang penting juga untuk dimiliki yaitu …
Topeng pelindung wajah dan mata, serta perangkat lainnya seperti kabel las positif dan negatif dan sikat baja
Juga sarung tangan, jika dianggap perlu
Dan yang paling penting juga adalah umpannya/elektroda
Inilah gambar di sekitar daerah yang di las
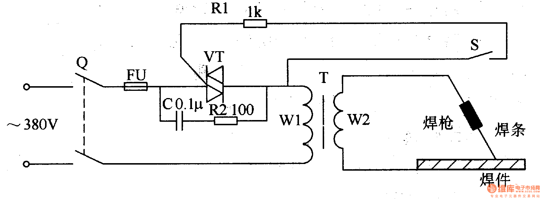
Dan rangkaian inverter DC sederhana seperti terlihat dalam gambar berikut
Dulu ane pernah ada pengalaman las-mengelas tapi dah lama banget, mungkin banyak dari bro semua yang punya pengalaman spesial mengenai las-mengelas, monggo dicorat-coret di kolom komentar. Sharing pengalaman dari bro semua akan sangat bermanfaat bagi ane, juga bagi yang lainnya. Semoga menjadi ilmu yang bermanfaat yang pahalanya terus mengalir sampai hari kiamat, amiin.
Sekilas info mengenai alat bengkel, semoga bermanfaat, wassalamu’alaikum wR wB.






ijin nyimak
http://78deka.com/2014/09/12/ninja-250-akan-menggunakan-assist-and-slipper-clutch-engine-serasa-ssg-motogp-nih/
itu dc welding kah?
wah cocok iki
http://orongorong.com/2014/09/12/suzuki-satria-fu-siapkah-menghadapi-tantangan-tahun-depan/
buat las argon juga bisa lo pak.. mayan kemaren saya ngontrak orang untuk proyek conveyo.. perlasan 125 rebu…
http://nivikoko.com/2014/09/12/ini-neh-yang-bikin-harga-cbr150r-lokal-murah-meriah-coy-cekidot-brot/
absen
http://penggemarmotor.wordpress.com/2014/09/12/menebak-seperti-apakah-motor-kawasaki-h2/
saya dulu jg pernah kursus mngelas, dr perlengkapan bro motogokil ini tdk dsebutkan palu kecil kerucut dan gerinda, dpt dipastikan juragan ini ahli dlm mngelas, busur api tepat gk usah dipukul maupun gerinda bekas las2an dah jos, dr nyala busur api dah kelihatan kq keahliannya.
he he he
bro, biasanya pake yang di lab, dengan inverter segede kursi
perlu keahlian khusus serta ketelitian jika menggunakan las jenis MMA karena banyak slagnya terutama untuk konstruksi yang menopang beban, mending pake las asetilen atau argon sekalian hasilnya lebih bersih dan rapih.
Murah regane gok ajbs
Melihat kemasan di sarung tangan….sepertinya belinya di AJBS 😉
http://potretbikers.com/2014/09/12/test-speed-memory-card-class-10-di-sony-xperia-c/
Ayo kembangin lagi ilmu las nya….ikutan diklat welding inspector sekalian
Klo knalpot, bagusnya pake argon atau co,bagus dan kemungkinan bocor kecil
Bgs nya special argon, di proyek lumayan harga nya, perhari bisa 300 rb, blom lembur mantap kan?
yang mau bayaran dalam $ alias DOLLAR belajarlah welding serta bs bahasa LINGGIS masio GRATHAL-GRATHUL gak popo(gak wajib).
Belajar welding yo gak larang kok, cuman sktr 15jt tp engkok bayarane MAK NYUZ bro soale indonesia sangat SEDIKIT yg bs welding.
kalo inverter kecil pengalamn mata kadamg ketembak, cz teganfannya kadang ga setabil.
pengalmn di kntruksi.
Trik ngelas yang baik gimana pak tolong bahas sedikit caranya